← Back to ITP Blog

Week 1 - Getting Shocked

While the first class for Energy was held on Zoom (due to a snow storm over the weekend), I still found the class exciting and a good reminder at the different types of energy that exist. The class also served as a relfection how how prominent energy is in the mundane, and how difficult and different life would be without it.

I didn't know that in the early 2000s a blackout hit New York, mostly because I was only a few years old at the time, and how two decades ago it sitll drastically effected life in the city. Perhaps we need more reminders to simply observe our surroundings and be present with them instead of becoming lost in the intangible space of digital technology.

Experimenting

While working on the floor, Aram approached me asking if I'd want to experiment with generating electricity from a stepper motor to prepare for the next class. The homework didn't explicitely state to test any circuits, but I wanted to just try it out and see what happens with my own eyes.

To start we found simply tried attaching wires from a stepper motor to an LED but not surprisingly nothing happened, and we realized that mechanically turning a stepper motor generated an AC current, so after a quick search we found a video that helped direct us to turn a stepper motor into a proper generator:

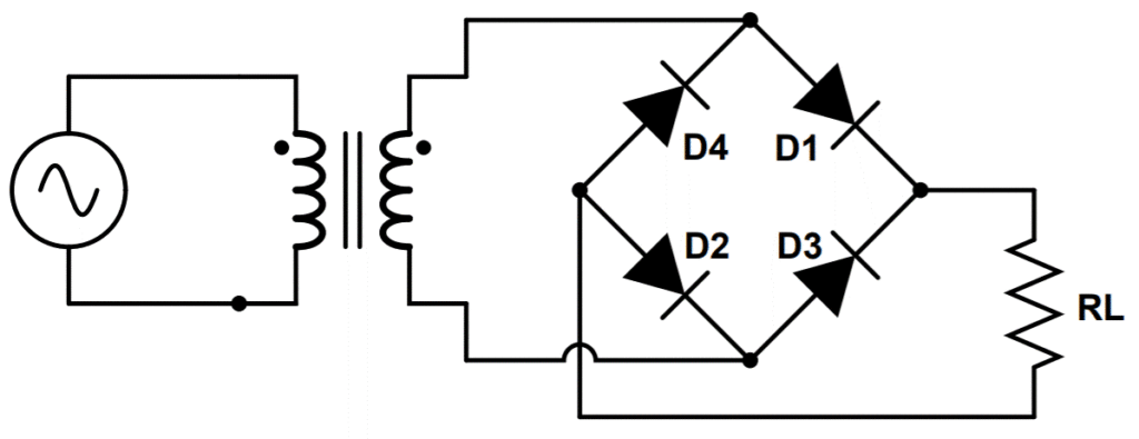
Central to the process would be placing two bridge rectifiers in series or parallel depending on the need. In series the system would have the same voltage but increased amps and vice versa if in parallel. Two bridge rectifiers were also needed since the stepper motor has four wires A-, A+, B-, & B+.

Figure 1. A circuit diagram of a bridge rectifier

After creating the bridge rectifiers and using alligator clips to connect them to a stepper motor and light we tested the system and it managed to work! I was genuinely surprised we managed to get the light on and for how stable the system was.

Figure 2. The working generator

Later in the week I worked to remake the generator with a stepper motor I picked up from MicroCenter. I was able to get the system working several times, but when trying to simplify the circuits, I managed to (potentially) break them. I had used Wago clips to connect the motor, rectifiers, and LED together but I didn't realize each row of clips werw connected together and likely broke a diode. The circuit is continuous but not voltage builds in the capacitors and when connected no LED turned on.

Figure 3. Two likely broken bridge rectifiers
Sketching

Over the weekend, a friend brought over a broken record player from the early 2000s he found on the street, and after opening it up the components were simpler than I thought. Seeing the record player made me curious if 1) I coule get it working and 2) if I could power it using some hand-crank generator. If I were stuck on a deserted island I think it'd be fun to have music to listen to helping pass the time.

Figure 4. Sketch of a hand-crank record player